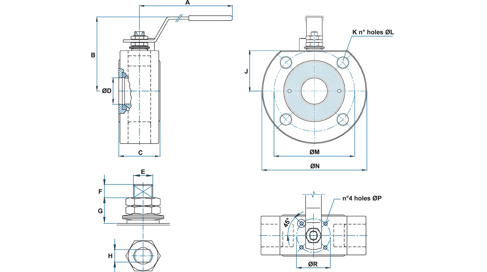
The stem is anti blow-out and it has an antistatic device.
Body The one-piece valve body obtained from precision casting (inox) or from cutout (carb. steel) has a little face to face (flat body) that allows the easy installation of the valve.
Stem packing adjustable with Chevron rings in P.T.F.E. + carbographite.
The ball has a plus diameter that reduces the pressure drop.
The seat consists of two rings in P.T.F.E. mounted inside the internal slots of the valve to guarantee the perfect tightening.
The threaded metal ring where is inserted the main and the secondary seat, is screwed on the body
Main features
Full bore ball valve - Anti blow out stem - Anti-static device - Stem packing with - hevron rings - Working pressure 40 bar max - Rotary angle 90° - PN10-PN16-PN25-PN40 flanges according to UNI EN1092-1 - The valve can be mounted in both direction’s flow - Top flange in accordance with DIN-ISO 5211 - Construction according to EN12516.2 and ASMEB16.34 - Hand lever, pneumatic or electric actuator
| Size range | 1/2” ÷ 8” (DN15 ÷ DN200) full bore |
| Type | Wafer |
| Design | ASME B16.34, EN 12516-2, ISO 14313 |
| Face to face dimension | EN 558 series 100 |
| Top flange | ISO 5211 |
| Max working pressure | 40 bar bidirectional |
| Flange drilling | PN6, PN10, PN16, PN25, PN 40, |
| ANSI class 150, class 300 |
| Operating temperature | -20 ?C ? +200 ?C (-4 ?F ? +392 ?F) |
| Standard materials | Body: Carbon Steel, Stainless Steel |
| Ball: AISI 304, CF8M |
| Stem: AISI 304, AISI 316 |
| Seat: PTFE+fiber glass, PTFE+carbographite |
| Leakage class | Rate “A” - No leakage - according to EN 12266-1 |
| Applications | Air, gas, liquids free from impurities for industrial environments, plants, waters treatment, other applications with compatible materials to working conditions |
| Certifications | 2014/68/UE PED,2014/34/UE ATEX, |
| Fire Safe API 607, ISO 10497, |
| API 6FA SIL - IEC 61508, IEC 61511, |
| GOST-R, CU TR 10 – CU TR 32 |