Pneumatic rotary actuators AP – APM series.
| Series | AP / APM |
| DA Double Acting / SA Single Acting | |
| Size range | AP0 ÷ AP12 (Ø32 mm to Ø330 mm) |
| Stroke | 90° with single travel adjustment ±3° (AP series) |
| 90° with double travel adjustment ±5° (APM series) | |
| Pressure range | 2 bar ÷ 8 bar for Double Acting |
| 3 bar ÷ 8 bar for Single Acting | |
| Torque range | 2,4 ÷ 7500 Nm (21,4 ÷ 66875 lbf.in) |
| Operating temperature | -20 °C ÷ +80 °C (-4 °F ÷ +175 °F) standard |
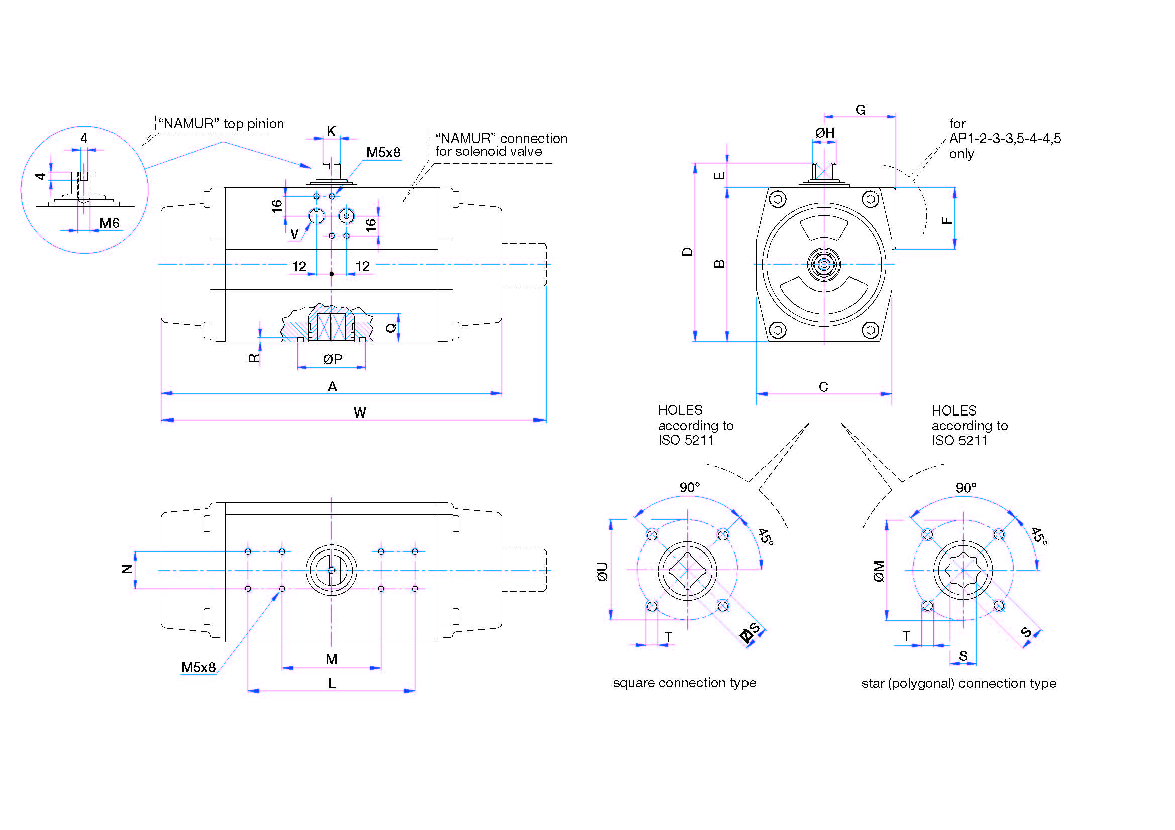
| Design reference | UNI EN 15714-3, ISO 5211, VDI / VDE 3845 |
| Flange interface | ISO 5211 |
| Stem connection | Square or polygonal shape ISO 5211 |
| Interface for pilot valve | NAMUR type |
| Accessories flange | VDI / VDE 3845, UNI EN 15714-3 |
| Applications | They find their best application for actuation of quarter turn valves, such as: ball valve, butterfly valve, plug valve |
| Certifications | 2014/34//UE ATEX, SIL IEC 61508 – IEC 61511 |
| GOST-R, CU TR 10 CU TR 32 |








